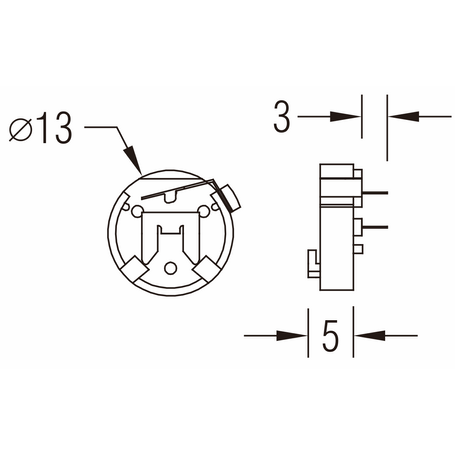
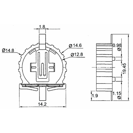
Home Products Coin Cell Holder ΦO=12mm

Coin Cell Holder - ΦO=12mm